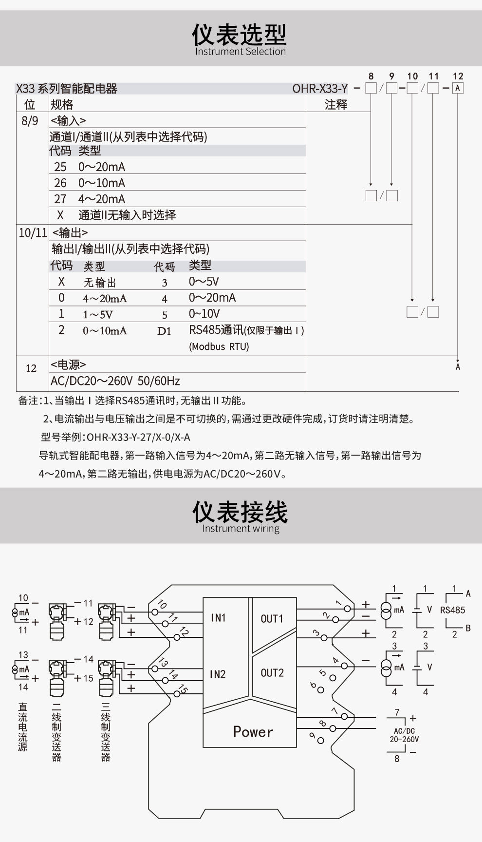
OHR-X33系列导轨式智能配电器
虹润公司是专业生产隔离器的国家专精特新“小巨人”企业。生产的智能信号隔离器涵盖智能配电器、电流电压变送器、温度变送器、频率转换器、开关量转换器及通讯转换器等多种产品类型。产品获得信号隔离器、一种二端子模块、无源信号隔离器等3项国家发明专利,主持起草现场设备工具(FDT)接口规范、工业过程测量和控制系统用隔离式安全栅、工业过程测量和控制系统用配电器等3项国家标准,以及通信系统多通道数据采集控制终端规范军用标准,参与国际5G标准制定,取得导轨式智能隔离器、频率转换器等3项相关软件著作权。产品广泛电力、冶金、工业电炉、变电站、高压电机房等需要电隔离的工业自动化控制系统。













