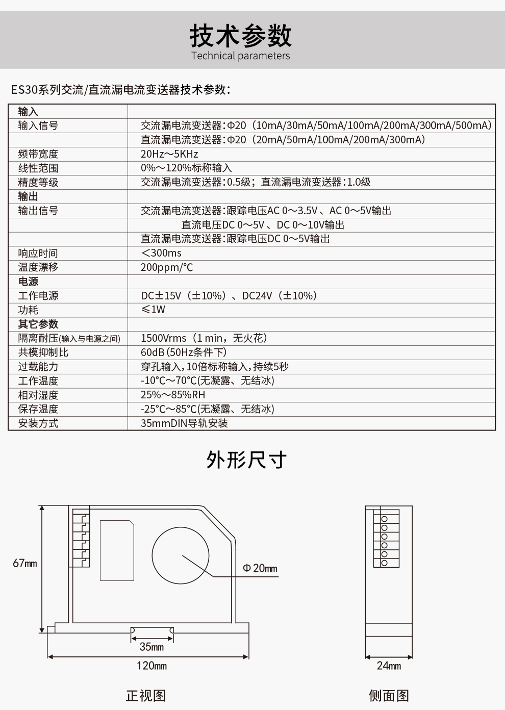
OHR-ES30系列交流/直流漏电流变送器
虹润公司是专业生产电流传感器的国家专精特新“小巨人”企业。生产的交流/直流漏电流变送器,具有交直漏电电流输入、高精准测量、响应速度快、高抗干扰、全隔离设计等特点。产品获得一种交流信号变送器、交直流信号转换电路、基于DCS技术的盘装式三相电量表等3项国家发明专利,主持起草工业过程控制系统用模拟输入两位或多位输出仪表国家标准,直流漏电流传感器规范、通信系统多通道数据采集控制终端规范等2项军用标准,以及现场设备集成等5项智能制造国家标准,参与国际5G标准制定。产品广泛应用于工业自动化、电力、新能源、科研实验基础设施等需要电力参数监测的领域。







