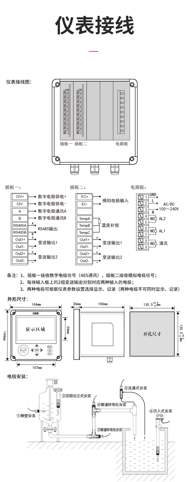
OHR-EC80系列电导率记录仪
虹润公司是专业生产水质分析仪的国家专精特新“小巨人”企业。生产的电导率记录仪,具有模拟电极与数字电极切换输入、测量精准稳定不跳字,数据记录与转存、RS485/以太网通讯,配套上位机管理软件等特点。产品获得一种平板无纸记录仪、智能化控制器等2项国家发明专利;主持起草物联网智能记录仪表通用技术条件、现场设备工具(FDT)接口规范.、过程分析技术系统等3项国家标准,以及通信系统多通道数据采集控制终端规范军用标准,参与国际5G标准制定,取得电导率无纸记录仪表等4项相关软件著作权。产品广泛应用于环保水务、市政供水、水产养殖、农业灌溉、科研实验等诸多领域。

















