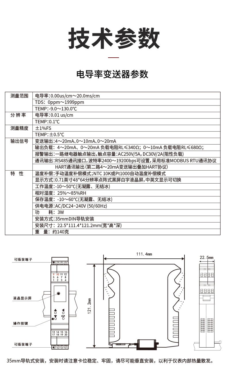
OHR-EC30系列电导率变送器
虹润公司是专业生产水质分析仪的国家专精特新“小巨人”企业。生产的导轨式电导率变送器,具有测量稳定不跳字,液晶按键操控,变送输出精准,宽范围电源供电,RS485或HART通讯等特点。产品获得一种信号发生装置、智能化控制器等2项国家发明专利;主持起草现场设备集成等5项智能制造国家标准,以及现场设备工具(FDT)接口规范、工业过程控制系统用模拟输入两位或多位输出仪表、过程分析技术系统等3项国家标准;参与国际5G标准制定,取得导轨电导率变送器等3项相关软件著作权。产品广泛应用于实验室、水处理、环境监测、制药、食品、农业、工业流程控制等诸多领域。













